Beschreibung
O.S. MAX-R21 On-Road
ENS 2026 Motor
OS 1B900
Der perfekte Motor für Einsteiger und Clubrennfahrer.
Neu entwickelte Kurbelwelle und Kolben/Zylinderlaufbuchse mit der Möglichkeit zur späteren Aufrüstung auf ein Hochleistungsmodell.
Spezifikationen:
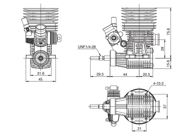
– Hubraum: 3,49 cm³
– Leistung: 2,71 PS bei 32.000 U/min
– Bohrung: 16,08 mm
– Hub: 17,2 mm
– Nutzbarer Drehzahlbereich: 3.000 bis 41.500 U/min
– Gewicht: 350 g
Im Lieferumfang enthalten:
– RP7 Turbo Glühkerze
– 8,5-mm-Venturieinsatz
– Auspuffdichtung
– Staubkappensatz





